二位三通換向閥
型號:3V120
類別:二位三通電磁閥
品牌:星宇XINGYU
產地:寧波奉化
技術參數
| 型號 | 3V120 |
| 工作介質 | 壓縮空氣(經40μm以上濾網過濾) |
| 動作方式 | 內部先導式 |
| 接管口徑 | 進氣=出氣=1/4" |
| 位置數 | 二位三通 |
| 有效截面積 | 16.0mm2(Cv=0.89) |
| 使用電壓 | DC24V±10%;DC12V±10% |
| 使用壓力范圍 | 0.15~0.8MPa |
| 保證耐壓力 | 1.2MPa |
| 工作溫度 | -5~50℃ |
| 本體材質 | 鋁合金 |
| 潤滑 | 不需要 |
| 最高動作頻率 | 5次/秒 |
(1)接管螺紋有G螺紋、PT螺紋可選
(2)最高動作頻率為空載狀態(tài)
| 電性能參數 | |||||
| 標準電壓 | AC220V | AC110V | AC24V | DC24V | DC12V |
| 電壓范圍 | AC±15%;DC±15% | ||||
| 功率 | 3.5VA | 3.5VA | 4.0VA | 2.5W | 2.5W |
| 防護等級 | IP65 | ||||
| 接電方式 | DIN潤滑式、出線式 | ||||
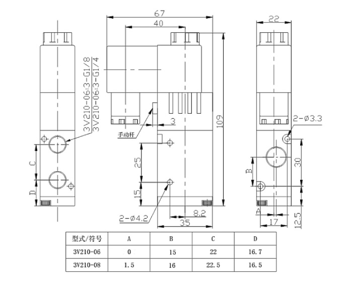
結構尺寸

產品特性

安裝說明

公司簡介

制造能力

行業(yè)應用

合作伙伴

服務網絡






