2S系列DN20大口徑不銹鋼閥體二位二通電磁閥
型號:2S200
類別:2S系列電磁閥
品牌:星宇XINGYU
產地:寧波奉化
技術參數
| 本體材質 | 不銹鋼 |
| 密封材質 | NBR(丁腈橡膠)、VITON(氟橡膠)、EPDM三元乙丙橡膠) |
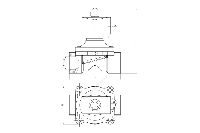
| 流量孔徑 | 20mm |
| 接管口徑 | 3/4" |
| CV值 | 7.6 |
| 標準電壓 | DC12V、DC24V、AC110V、AC220V |
| 工作介質 | 空氣、水、油 |
| 動作方式 | 先導式 |
| 工作方式 | 常閉式 |
| 介質粘度 | <20cSt |
| 工作壓力 | 0~0.7MPa |
| 最大耐壓力 | 1.0MPa |
| 工作溫度 | -5~+80℃ |
| 螺紋代碼 | G螺紋 |
結構尺寸

型號說明

產品細節

產品特點

安裝說明

公司簡介

制造能力

行業應用

合作伙伴

服務網絡






