有鐵芯直線電機
型號:XBL40125
類別:直線電機模組
品牌:星宇XINGYU
產地:寧波奉化
產品簡介
有鐵芯直線電機又稱平板電機。由于體積大、線圈單元大、內附增磁性材料,使其具有更大的推力能力、散熱能力,擅長千重負載、高加減速、高速、長行程的運動,常用于點位精度的運動與一般的軌跡精度應用。星宇有鐵芯直線電機基于生產工藝的積累與電磁的優化,使其具有超低頓振的效應,在推力與穩定性中體現了優異的平衡。現有標規產品的持續推力范圍∈[120,800]N,峰值范圍∈[240,2400]N幾乎滿足一切工業自動化的運動應用需求。同時,對于特殊客戶應用還可以靈活定制直線電機產品。
產品特點
○ 低頓振的有鐵芯直線電機
○ 良好的熱散性能
○ 大推力、高加減速、重負載、高運行速度
○ 功率范圍覆蓋面廣
○ 可 靈 活 客 制 產 品
應用領域
○ 非標自動化:LCM 光電、鋰電池設備等
○ FPC制程
○ 半導體設備
○ 激光應用設備
○ SMT貼片、 PCB鉆孔
○ AOl視覺應用
技術參數
| 性能參數 | 單位 | XBL40125F112 | XBL40125F208 |
| 峰值推力 | N | 980.0 | 2400.0 |
| 持續推力 | N | 420.0 | 800 |
| 峰值電流 | ARMS | 20.0 | 24.0 |
| 持續電流 | ARMS | 6.5 | 6.5 |
| 相間電感 | MH | 13.2 | 27.1 |
| 相間電阻 | Ω | 2.5 | 4.97 |
| 力常數 | N/ARMS | 64.4 | 123.5 |
| 反向電動勢 | V/M/S | 52.4 | 100.4 |
| 磁極距 | mm | 24.0 | 24.0 |
| 最大繞組溫度 | ℃ | 120 | 120 |
| 標配電纜線長 | m | 0.5 | 0.5 |
| 最大電壓 | Vac | 380 | 380 |
| 磁吸力 | N | 2070.0 | 4140.0 |
| 動子質量 | kg | 2.20 | 4.20 |
| 定子信息 | 定子長度L | 安裝孔個數2N | 定子質量kg |
| XBL40125M48 | 48 | 2 | 0.37 |
| XBL40125M144 | 144 | 6 | 1.40 |
| XBL40125M240 | 240 | 10 | 1.75 |
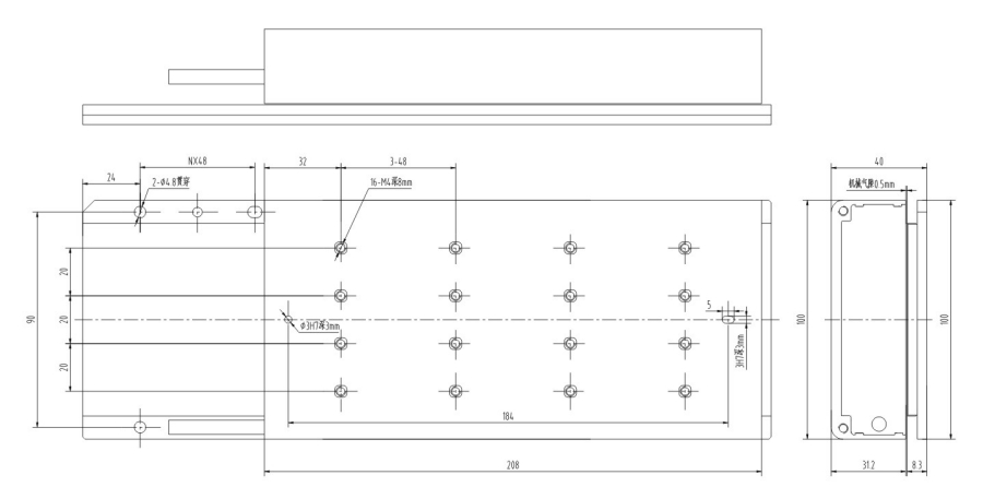
結構尺寸


型號說明

輸出力矩

公司簡介

制造能力

行業應用

合作伙伴

服務網絡






