熱塑性塑封類汽車車用電磁線圈
型號:SB746/BDF-6A
類別:熱塑性電磁線圈
品牌:星宇XINGYU
產地:寧波奉化
技術參數
| 常規電壓 | DC12V | |
| 常規功率 | AC | |
| DC | 26W | |
| 其他特種電壓、特種功率可定做 | ||
| 絕緣等級 | N | |
| 線圈連接方式 | 接插式 | |
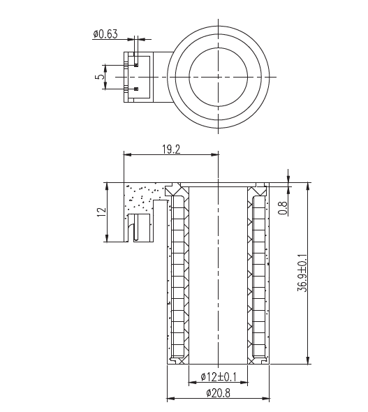
結構尺寸

公司簡介

制造能力

行業應用

合作伙伴

服務網絡

上一篇:熱塑性塑封類家電自控設備電磁線圈
下一篇:熱塑性塑封類汽車車用電磁線圈

型號:SB746/BDF-6A
類別:熱塑性電磁線圈
品牌:星宇XINGYU
產地:寧波奉化
技術參數
| 常規電壓 | DC12V | |
| 常規功率 | AC | |
| DC | 26W | |
| 其他特種電壓、特種功率可定做 | ||
| 絕緣等級 | N | |
| 線圈連接方式 | 接插式 | |
結構尺寸

公司簡介

制造能力

行業應用

合作伙伴

服務網絡

上一篇:熱塑性塑封類家電自控設備電磁線圈
下一篇:熱塑性塑封類汽車車用電磁線圈
型號:SB729/HC15402
型號:SB751/XY16503
型號:SB600/WL50-DCF-020
型號:SB742/XY09301X