熱塑性塑封類汽車車用電磁線圈
型號:SB745/BDF-5A
類別:熱塑性電磁線圈
品牌:星宇XINGYU
產地:寧波奉化
技術參數
| 常規電壓 | DC12V | |
| 常規功率 | AC | |
| DC | 20W | |
| 其他特種電壓、特種功率可定做 | ||
| 絕緣等級 | N | |
| 線圈連接方式 | 接插式 | |
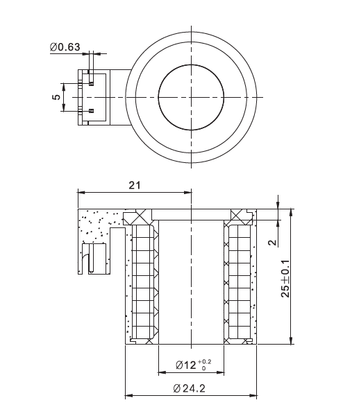
結構尺寸

公司簡介

制造能力

行業應用

合作伙伴

服務網絡

上一篇:熱塑性塑封類汽車車用電磁線圈

型號:SB745/BDF-5A
類別:熱塑性電磁線圈
品牌:星宇XINGYU
產地:寧波奉化
技術參數
| 常規電壓 | DC12V | |
| 常規功率 | AC | |
| DC | 20W | |
| 其他特種電壓、特種功率可定做 | ||
| 絕緣等級 | N | |
| 線圈連接方式 | 接插式 | |
結構尺寸

公司簡介

制造能力

行業應用

合作伙伴

服務網絡

上一篇:熱塑性塑封類汽車車用電磁線圈
型號:SB451/CNOMO-30
型號:SB533/WY08422X
型號:SB727/XY11452X

常規電壓:RAC220V DC6V;常規功率:AC=6W,DC=5W;其他特種電壓、特種功率可定做;絕緣等級:F;線圈連接方式:電纜式...
查看詳情型號:SB293/HS-15